A mosdó mérete a fürdőszobában: optimális értékek
A mosogató kiválasztása a fürdőszobában számos különböző kritériumot figyelembe vesz. A méret az egyik legfontosabb, mivel meghatározza a design funkcionalitását és kompatibilitását a szoba méretével. Ezt a paramétert a cikkben tárgyalja.

Általános rendelkezések

Kezdjük, fordítsunk egy kis figyelmet a gyártók által kínált mosószerek legfontosabb jellemzőire, amelyekre figyelni kell:
| paraméter | leírás |
| anyag | Az esztétika és a gyakorlatiasságért felelős. A leggyakoribb lehetőségek: fajansz, porcelán, kerámia, fém, műanyag. |
| A rögzítés típusa | Meghatározza a további rekeszek stabilitását, jelenlétét és a berendezés által elfoglalt helyet. A következő modellek lehetségesek: számla, beépített, fal és mosogató "tulipán". |
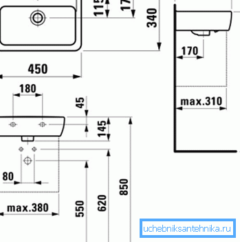
| méret | Érinti a funkcionalitást és a megjelenést. A fürdőszoba mosdókagyló méretei 40, 50, 60 és 90 cm szélesek. |
Amint látja, a fennmaradó jellemzők is nagyon fontosak, de a funkcionalitást a mosdó méretei határozzák meg. Így, ha kényelmesen meg szeretné mosni a kezét, akkor ne felejtse el választani a megfelelő méretű szaniter szerelvényeket.
Méretek

Milyen méretek fontosak a megfelelő mosogató kiválasztásakor?
| dimenziószámcsökkentő | leírás |
| magasság | Az elfogadott szabvány 80-85 cm, de ugyanakkor a gyakorlati tanulmányok azt mutatják, hogy:
Ezért, ha a házat férfiak és nők egyaránt lakják, akkor a legjobb megoldás a mosogató 86-93 cm-es szintre helyezése. |
| mélység | Ebben az esetben az elülső és a tartály távoli széle közötti távolságra utal. A legkényelmesebb lehetőség valahol 48 és 61 cm között van, a kisebb egy hatalmas mennyiségű fröcskölést eredményez, és egy nagyobb is kényelmetlenül fogja elérni a keverőt. |
| szélesség | Ez a lineáris mutatók közül a legfontosabb. Túl széles mosdó a fürdőszobában, amely nemkívánatosan több helyet foglal el, és túl keskeny, kellemetlenséget okoz a működésben. Ráadásul nem szabad megfeledkezni a fürdőszoba méreteivel való kompatibilitásról, a 60 cm széles konstrukciót a legoptimálisabbnak tartják, a 4 méretcsoportot tisztességesebb megkülönböztetni, amit később tárgyalunk. |
Tanács: Ha gyermek van a házban, akkor ajánlott egy speciális tartóállványt elhelyezni, amely lehetővé teszi felnőtt mosdókagyló használatát. Ez megkönnyíti Önt arra, hogy külön gyermek autómosót telepítsen, és örömmel fogja érezni a baba számára a lehetőséget, hogy csatlakozzon a szülők életéhez.

Lehetséges szélesség
Mi legyen a mosogató szélessége a fürdőszobában?
Már megjegyeztük, hogy helyesebb különbséget tenni 4 csoport között:
- 30-40 cm. Az ilyen kompakt fürdőszoba mosogatókat a kisebb házak kis méretű fürdőszobájába szerelik, ahol minden négyzetcentiméter arany súlyú. Természetesen itt nem kell különösebben beszélni a kényelemről, de néhány előnye is kiemelhet:
- Alacsony ár
- A mosogatónak a sarokba helyezésének lehetősége.
- Egyszerű útmutatás a falminták felszereléséhez.

- 40-55 cm. Az ilyen mosogatók lehetővé teszik a kis lakások gazdaságos felszerelését. Rendelkeznek elegendő formájú alakzattal, hogy egy szép megjelenésű designt alakítsanak ki a fürdőszobában.
Tipp: Ha mosogatóval fali tartószert használ, javasoljuk, hogy egy alátétet is szereljen be. Ezzel elkerülhető a piszok felhalmozódása az egész szerkezet alatt.

- 55-70 cm. Az optimális méret az egyszerű használat, a külső vonzerő és a megfelelés a tipikus fürdőszobák sokemeletes épületek.

- 70-100 cm. Az ilyen nagyméretű fürdőszobai mosdók csak akkor használhatók, ha a szobának van egy lenyűgöző területe, különben ez a design túlságosan nehézkes a fürdőszobához képest.

Szokatlan alakok
A nem szabványos mosdók a fürdőszobában egyes esetekben jelentősen növelhetik a fürdőszoba látogatásának kényelmét.
Nem tervezzünk olyan tervezési modelleket, amelyeknek célja kizárólag az esztétika javítása, de két funkcionális mintát vizsgálunk:
- A mosdók a fürdőszoba egy szárnnyal rendelkeznek, és a nappali asztal egy további szegélye, melynek köszönhetően kényelmes polcot kap különböző személyes higiéniai termékek elhelyezésére.

- Dupla mosdók. Ezeket a mosdókat nagy családok számára tervezték és képesek a reggeli vonalat a mosogatóba tölteni. A legfontosabb, ha figyelembe vesszük, hogy a tartályok középpontjai közötti távolság legalább 90 cm.

következtetés
A mosogatók mérete nem kevésbé fontos, mint a gyártás anyaga és a rögzítés módja. Fentebb leírtuk az összes lehetséges opciót, és megjegyeztük azok jellemzőit.

A jelen cikkben szereplő videó további anyagokat nyújt Önnek.