Kis wc - a kis vécé készletének finomságai
A szabad helyiség problémája az egyik legérdekesebb. Néha a lakótér maximalizálása érdekében a tervezők minimálisra csökkentik a mosdó méretét. Ezt figyelembe kell venni a vécécsésze kiválasztásakor, mert a nagyméretű vízvezeték szerelvény nemcsak sok helyet vesz igénybe, de nem néz ki beltéren.

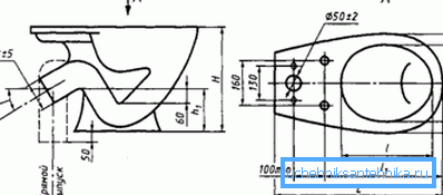
A szaniter berendezések méretéről
A szaniter kerámiákra különálló szabvány van, amely a telepítési szabályok mellett tartalmaz információkat a tipikus modellek dimenzióiról.
Így a GOST 30493-96 szerint a WC-tálak méret szerint három csoportra oszthatók:
- gyermekek számára a kis WC-tálak mérete 335, 405 és 290 mm, magassága, hossza és szélessége;
- a hozzáadott polcon, a magasság (370, 400 mm) és a hossz - 460 mm-es modellek szabványosították;
- A szilárd formájú polcokra épülő modellek esetében a szabvány meghatározza a méretek: 605 és 575 mm hosszúságúak (a megrendelővel való előzetes konzultáció szükséges), szélesség 340, 360 mm.

Figyelj! Egy adott modell kiválasztásánál kívánatos, ha a változatot előnyben részesítjük egy szilárd öntött polcra. A mellékelt polcokkal ellátott modellek megnehezítik az egészségügyi szerelvény beszerelésének folyamatát.
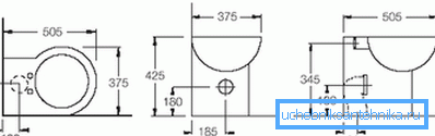
Nem szabad elgondolnunk, hogy a fenti követelmények az összes WC-tálra vonatkoznak. Az európai modellek nagy méretekkel rendelkeznek. Például a nagyméretű emberek egészségügyi berendezéseinek mérete 400x500x850 mm lehet (szélesség, hosszúság és magasság).
A kis méretű WC-helyiségekben mini-WC is használható, az ilyen egészségügyi berendezések méretei: hossza - 460-590 mm; magasságban - 260-335 mm, jól, szélessége 290-350 mm.

Önálló vagy beépített felfüggesztett modellek. Az ilyen modellek méretei a következők: hossza - 470-580 mm, magasság - 390-420 mm, szélesség - 355-370 mm.
Előfordul, hogy a helyiség geometriája szaniter berendezések szöghelyzetét igényli. Ebben az esetben az egészségügyi berendezés méreteit a sarok méretei határozzák meg. Általában az ilyen modellek mérete megközelítőleg ebben a tartományban van: hossza - 725-790 mm, magasság - 740-815 mm, szélesség - 345-375 mm.

Milyen vécét választani egy kis WC-t
A főszabály, hogy a WC-nek meg kell felelnie egy kis WC-nek, hogy nem túl masszív. Először is, ez megtakarítaná az értékes helyet, és másodszor, egy vizuálisan miniatűr vízvezeték szerelvény nem fog kialudni a szoba általános kialakításából. Természetesen ugyanakkor kényelmesnek és kényelmetlennek kell lennie.
A falra szerelt WC szép és hatékony
Az egyik legjobb módja annak, hogy több madarat megöljenek egy kővel, tekinthető a függő toalettmodell választásának egy telepítéssel. Egy kis lógó WC minden méretű mosdóban tökéletesnek fog tűnni, és a WC-ciszterna elrejtése csak a szoba általános stílusát élvezheti.

Ez nem zárja el előnyeit. A felfüggesztett modellek például nem igénylik a burkolólapok burkolatának megszakítását a padlón, és a WC-tisztítás sokkal könnyebbé válik, mert alatta nincs olyan nehezen elérhető hely.
Figyelj! Egy ilyen egészségügyi eszköz megvásárlásakor tanácsos azonnal telepíteni a telepítést. Ebben az esetben a keret garantálja, hogy ellenálljon a terhelés egy felnőtt.

Az ilyen típusú egészségügyi eszközök egyetlen hátránya a klasszikus modellekhez képest meglehetősen magas költségnek tekinthető.
A tartály és a szerelési rendszer együttesen nem kevesebb, mint 6-7 ezer rubel lesz, ha azt vesszük, hogy a WC-csésze ára legalább 2,5-3 ezer rubel, akkor könnyű átlépni a 10 ezer rubelt.
A telepítés után úgy tűnik, hogy az egészségügyi szerelvény közvetlenül a falhoz van rögzítve, és úgy tűnhet, hogy az ilyen rögzítés ereje alacsony. Ez nem más, mint egy optikai illúzió, mert az egészségügyi berendezés az acél kerethez van erősítve. Tehát a néhány száz kilogramm terhelése egészen a felfüggesztett WC-hez tartozik.
Ha a szerelést kézzel végezzük el, akkor a telepítés során egyszerűen hozzáférést kell biztosítani a tartályhoz. A benne lévő szerelvények problémái gyakran előfordulnak, és mivel a tartályt egy partíció fedte le, nem lesz könnyű hozzá. A ciszternának a belsejébe való belépésének problémáját úgy oldják meg, hogy a felülvizsgálati ablakot feltörték, meghibásodás esetén elég lesz csak eltávolítani, majd cserélheti ki a tartály armatúráját.

Hagyományos és mini toalett
Az értékesítésen megtalálhatók az úgynevezett gyermekmodellek, az egyetlen különbség a hagyományos modellek között kisebb. Így a legkisebb WC-k mérete 7-8 cm-rel kisebb, mint a szokásos méretek A WC-n, ha kis egészségügyi felszerelést tervez, előfordulhat, hogy kissé fel kell emelkednie a padlószint felett, mert a magassága nem elegendő egy felnőtt számára .

Az a tény, hogy a boltokban ilyen szaniter eszközöket gyakran neveznek gyermekeknek, nem teszik alkalmatlanná őket egy felnőtt számára. Az egyetlen dolog, amit figyelembe kell venni, hogy a tál mérete még mindig kisebb, mint a szokásos, így a nagy emberek számára ilyen választás nem nevezhető optimálisnak. Ráadásul a kissé szűkebb élek kellemetlenséget okozhatnak, amikor összeomlik a testbe.
Ebben az esetben telepítheti a szokásos WC-t, és a tartályt és a csatornacsöveket, hogy csak - hamis fal mögé bújjon. Egy kis szobában ez jó vizuális effektust eredményez. Mivel a leeresztő tartály a partíció mögött van elrejtve, még egy közepes méretű egészségügyi berendezés sem tűnik túl nagynak egy kis helyiségben.
Figyelj! Annak érdekében, hogy az öblítőtartály kijavítása a hamis falon folytathasson, meg kell adni egy ellenőrző ablakot.
A WC-tál mérete az emberi kényelemre
Még a legáltalánosabb vécécsésze a helytelen telepítéssel sok kényelmetlenséget okozhat a használat során. A választásnál figyelembe kell venni az egészségügyi berendezés méreteit is.
Az egészségügyi berendezések kiválasztására vonatkozó utasítások a következő elemeket tartalmazzák:
- a keret nem lehet túl szűk. Ellenkező esetben a testbe beleütköznek, és a lábak hosszú ideig ülnek zsibbadnak;
- annak méretei legyenek olyanok, hogy a behelyezés után az ülõ személy teljesen nyugodtnak érezze magát, a lábizmok nem feszültek. Ami a készülék magasságát illeti, úgy kell lennie, hogy a lábak ne lógjanak a levegőben, hanem a padlón álljanak, térden pedig derékszögben hajlítva. Ha egy mini-WC-t használsz, akkor alatta, lehet, hogy egy kis dobogót kell felépítened;

- A szaniterek elhelyezése tilos a falakon. Úgy gondolják, hogy az ajtó minimálisan megengedett távolsága legalább 0,6-0,7 m és az oldalak falainál 0,3-0,4 m. Ebben az esetben semmi sem gátolja az ember mozgását.
A végén
A WC-tál kiválasztásakor néha a fő kritérium nem az ár, sem a megjelenés, hanem annak méretei, végül is egy nagyméretű egészségügyi berendezés nem alkalmas minden WC-re. A kisméretű toalettek univerzális megoldásnak tekinthetők, ezek a készülékek nagyméretű WC-ben és szerény WC-ben is jól láthatók, ahol minden centiméter szabad helyet számolnak.
A rövid videó ebben a cikkben egy példát mutat be egy kis fürdőszobában lévő kompakt WC telepítésére.